深圳东兴为您提供优质的德国工业自动化设备

                                                           公司目前拥有2000多家直采工厂,50个绝对优势品牌

17个长期供货合同,5个代理品牌,业务范围涉及国际贸易、海外工程、安装维修、招标业务、展览广告及现代物流等多个领域。


17620333619

18020065660

销售咨询:
您当前所在的位置:
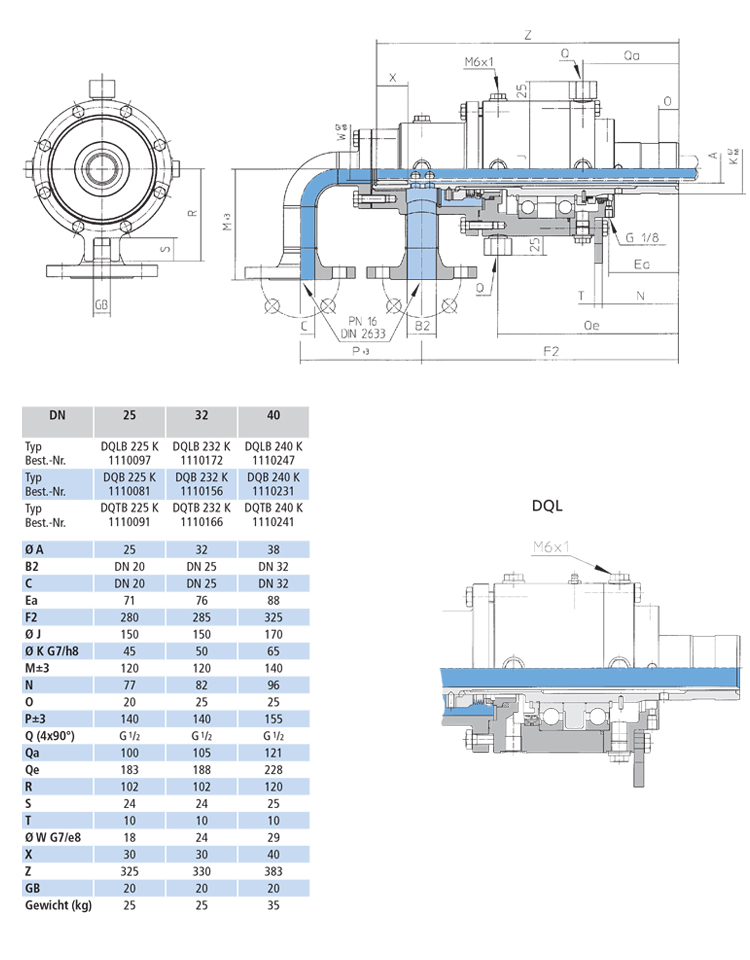
Maier旋转接头DQ
    发布时间: 2024-02-04 14:37    
Maier旋转接头DQ

17620333619

18020065660

销售咨询: